SAMEK葉片泵,油泵電機,泵芯

液壓系統原理回路的注意事項
液壓系統圖是整個液壓系統設計中最重要的一環,他就像一個人的心臟,其運轉的好壞從根本上影響整個液壓系統,從而學習和擬定液壓系統原理圖所需的知識面較廣,要綜合技術和設計的各種內容,一般的方法是:先根據具體的動作性能要求選擇液壓基本回路,然后將基本回路加上必要的連接措施有機地組合成一個完整的液壓系統,擬定液壓系統圖時,液壓回路的綜合是把選出來的各種液壓回路放在一起,進行歸并、整理、再增加一些必要的元件或輔助油路,使之成為完整的液壓傳動系統。下面給大家說一說這項工作時還必須注意以下幾點:
1、液壓回路的綜合
① 盡可能使系統經濟合理,便于維修檢測。
② 盡可能省去不必要的元件,以簡化系統結構。
③ 盡可能提高系統的效率,防止系統過熱。
④ 盡可能采用標準元件,減少自行設計的專用件。
⑤ 最終綜合出來的液壓系統應保證其工作循環中的每個動作都安全可靠,無相互干擾
2、 液壓回路的選擇
① 首先確定對主機主要性能起決定性影響的主要回路。例如機床液壓系統、調速和速度換接是主要回路。
② 然后再考慮其它輔助回路,例如有垂直運動部件的系統要考慮平衡回路,有多個執行元件的系統要考慮順序動作,同步和防干擾回路等。
③ 同時也要考慮節省能源,減少發熱,減少沖擊,保證動作精度等問題。





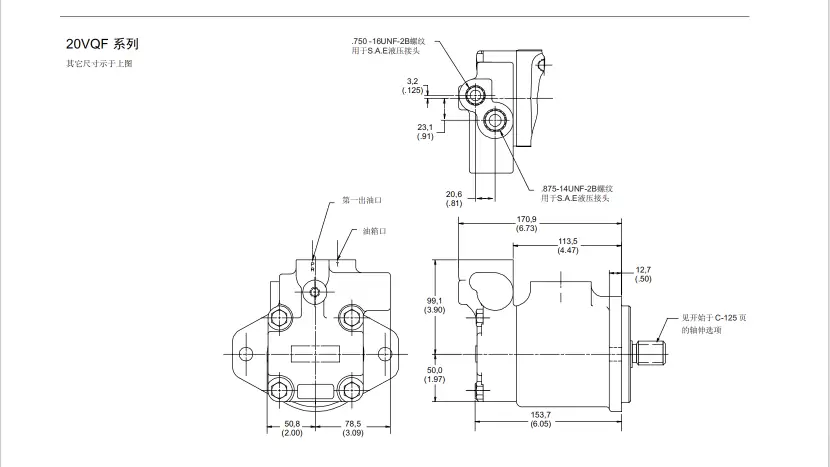
20系列
20V25A-1CR 20VQ
2520系列
2520V/VQ 2520V17A14-1AD22L 2520VQ
2525系列
2525V/VQ 2525VQ
25系列
25V/VQ 25V-10A 25V10A-1DR-10 25V-12A 25V-14A 25V-15A 25V17A-1A22R 25V20 25V21A 25V-21A-1B-22R 25V25
25VQ12MS86BR 25VQ17A-1BR 25VQ17A-1CR 25VQ25A-1A20L 25VQ25A-86DR 3520V/VQ
3520系列
3520VQ 3520VQ21A8S-1BBR
3525系列
3525V/VQ 3525V-25A25 3525v-38a21-86aa-22r 3525VQ 3525VQ-25A14-1DB 35V/VQ
35系列
35V20 35V-21/25A-1/86A-22R 35V25 35V-35A-1/86D-22R 35V35A-1BR 35V38A-1/86-C/D-22R
35VQ25A-1C/BR 35VQ30 35VQ30A-1CR 35VQ35 35VQ35A-1AR 35VQ35A-1CR 35VQ38 35VQ42
4520系列
4520V/VQ 4520VQ 4520VQ-60/11A-1AA 4520VQ-60/12A-1AA 4520VQ-60/14A-1AA
4520VQ-60/5A-1AA 4520VQ-60/6A-1AA 4520VQ-60/7A-1AA 4520VQ-60/8A-1AA
4520VQ-60/9A-1AA 4520VQ-66/11A-1AA 4520VQ-66/12A-1AA 4520VQ-66/14A-1AA
4520VQ-66/5A-1AA 4520VQ-66/6A-1AA 4520VQ-66/7A-1AA 4520VQ-66/8A-1AA
4520VQ-66/9A-1AA 4520VQ-75/11A-1AA 4520VQ-75/12A-1AA 4520VQ-75/14A-1AA
4520VQ-75/5A-1AA 4520VQ-75/6A-1AA 4520VQ-75/7A-1AA 4520VQ-75/8A-1AA
4520VQ-75/9A-1AA 4525V/VQ 4525V60A17-1AC22L 4525VQ 4535V/VQ
4535系列
4535V-50A35-86 4535V60A38-1AA-22R 4535V-60A38-1CC-22R 4535VQ
45系列
45V/VQ 45V20 45V25 45V35 45V60A-001C-22R 45V75A
45VQ42 45VQ47 45VQ50 45VQ50A 45VQ57 45VQ60 45VQ60A 45VQ66 45VQ75
本文由蘇州逐利機電整理發布,如需轉載請瀏覽來源及出處,原文地址:http://www.hprac.com.cn/chanpin/72.html






留言信息