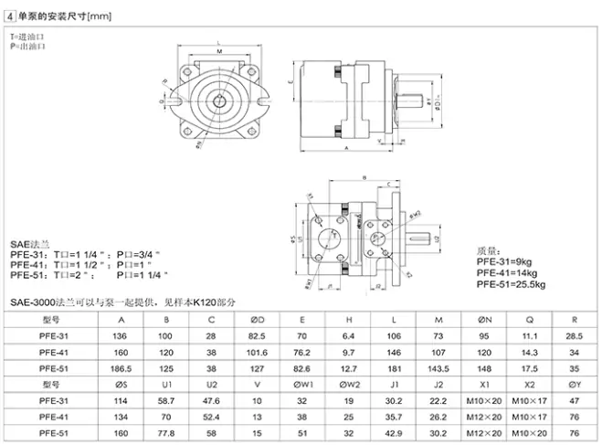
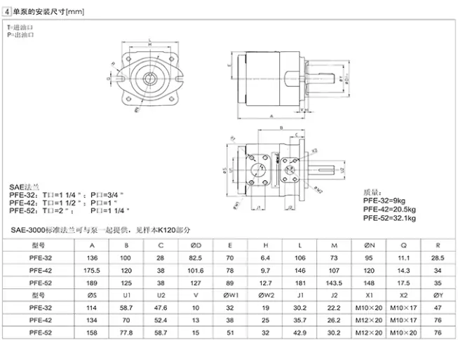
意大利ATOS阿托斯葉片泵PFE-31016/22/28/36/44/1DT/U/V/W 20油泵
液壓系統管接頭如何改進漏油問題?
常見液壓系統管接頭防漏的改進措施。
對常用的管接頭R密封結構進行改進,近幾年來已在液壓機械中應用,有效地解決了液壓系統的漏油問題。
1.焊接式管接頭(見圖1)
該型管接頭采用端面O形圈密封,從理論上講,螺母擰緊后接頭體與焊接管應在同一直線上,焊接管端面的整個平面將壓在密封圈和接頭體上以達到密封的目的。
但是,在一般的制作條件下,焊接時很難保證法蘭與焊接管的相互垂直,所以當螺母與接頭體擰緊后接頭體與焊接管不一定在同一條軸心線上,焊接管與接頭體的軸心線將形成一個夾角。,如圖74所示。由于焊接管是剛性連接的,所以夾角a將始終存在,因而影響其密封性。
爲此,我們研制了專用的定位焊接夾具,可確保焊接管與其端面法蘭在焊接時對垂直度的要求,從而解決了該型管接頭的密封問題。

2.活接頭(見圖2)
該型管接頭在實際中使用較多,從理論上講,它的密封性能較好,但在實際使用中活接頭漏油的現象卻較常見。這種接頭用在不需經常拆裝又要求其密封性較好的地方。爲此,我們在位于球面端頭的螺母內加工一個凹槽并裝上O形圈;爲了防止球面和O形圈接觸不良,O形圈的壓縮量設計爲0.8~1.0mm。
經上述改進后其密封效果很好。

3.卡套式管接頭(見圖3)
它是靠接頭體錐面與錐形卡套錐面的壓緊而密封的。卡套與鋼管爲緊配合,當接頭體與鋼管不同軸而存在某一夾角a時,反映到密封面的間隙則比焊接式管接頭的間隙要小得多,而且可依靠卡套的變形來消除這一間隙,所以它比焊接式管接頭的密封性要好。但在實際使用中,靠卡套金屬表面的變形來密封是經受不住拆裝和振動的,其密封性能將逐漸下降。
4.錐面密封管接頭(見圖4)
我們研制的依靠錐面和O形圈相結合的錐面密封管接頭,加工內外錐體時一定要保證其錐度一緻。當擰緊螺母時,通過外錐體和螺母間的鋼絲産生一軸向力,使內外錐體貼緊,同時使O形圈被壓變形而起到密封作用。
錐面密封與卡套式密封相似,但它具有抗小位移的能力,O形圈可隨錐面的微小位移而能被壓縮變形,所以其密封性能比卡套式的要好,經多次拆裝后其密封性能不受影響。它不僅比焊接式和卡套式管接頭的密封性能好,而且可靠。

5.錐形管螺紋接頭(見圖5)
管接頭與液壓閥體進、出口的直接連接,由于受到螺紋的加工精度、裝拆的次數和液壓油的沖擊等影響,常常會出現漏油的現象。
爲了解決這個問題,在設計和加工內、外錐形螺紋時可做如下改進;嚴格控制螺紋的中徑公差和軸心線與A、B面的垂直度;裝配時將間距S控制爲2mm,再增加一組合式密封圈。經改進后的管接頭從未發生過誦油現象,防漏油效果比較理想。







PFE 31028/ 5DW
PFE-31016/1DT 20 PFE-31016/1DU
PFE-31022/1DT 20 PFE-31022-1DU
PFE-31028/ 1DT PFE-31028/1DT 20
PFE-31036/1DT PFE-31036/1DT 20
PFE-31044/1DT 20 PFE-31044/5DT PFE-31044-1DT
PFE-32036/3DT 20 PFE-32036/3DU 20
PFE-41029/1DT
PFE-41045/1DT 20
PFE-41070-10V
PFE-41085/10D PFE-41085/1DT 20
PFE-42045/3DW 20
PFE-42056/3DT PFE-42056/3DT 20
PFE-51090/1DT PFE-51090-1DT
PFE-51150/1DT 20
PFED 54110/045/1 DVO
PFED-43045/016/1DTA PFED-43045/028-1DT0 PFED-43045/044/1DTO
PFED-43070/028/1DWB20 PFED-43070/044/1DV0 20
PFED-43085/016 PFED-43085/016/1DVO 20 PFED-43085/022 PFED-43085/028 PFED-43085/036
PFED-43085/044 PFED-43085/044/1DUO 20
PFED-54110/037/1DTO
本文由蘇州逐利機電整理發布,如需轉載請瀏覽來源及出處,原文地址:http://www.hprac.com.cn/yyyb/209.html






留言信息